币游·国际(中国游)官方网站

币游·国际(中国游)官方网站
币游·国际(中国游)官方网站

旋转接头

首页 - 产品展示

big202110201121451486

MXQL型 双通路(内管旋转式)

型号:MXQL
表管:螺纹或法兰
特点:正球面密封; 尺度浸锑石墨密封技术; 多路无油轴承支持; 支持间距最大化; 精密铸铁壳体; 双通路设计; 可自动调心; 分体式设计; 密封磨损刻度线,可预防性守护设计; 旋转轴表表经耐磨损、耐侵蚀处置; 内管装置轻便; 易于更换 。

技术参数:
合用介质 蒸汽
最高温度 ≤220℃(蒸汽);≤350℃(油)
最高压力 ≤1.8MPa
最高转速 20A-40A≤200rpm; 50A-65A≤150rpm

产品征询 返回列表

销售服务热线:

0595-8686 1188

币游·国际(中国游)官方网站

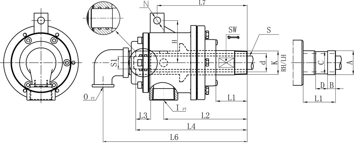
RN

Model K I O S1 d L1 L2 L3 L4 L6 L7 N H SW 法兰式表管尺寸对照表
A B C D
25A R1" Rc3/4" Rc1/2" 16 23.5 53 141 20 182 236 153 12 66 32 34 12 32 18
32A R1-1/4" Rc1" Rc1/2" 20 30 55 159 25 204 259 171 14 78 39 40 13 38 20
40A R1-1/2" Rc1-1/4" Rc3/4" 25 36 65 177 30 224 288 187 14 85 46 47.8 13 45 20
50A R2" Rc1-1/2" Rc1" 32 45 73 197 32 253 322 215 14 93 57 60 16 57 24
如属规格品表,本公司可共同要求造作 。

规格尺寸如有批改,恕不另行通知 。

币游·国际(中国游)官方网站

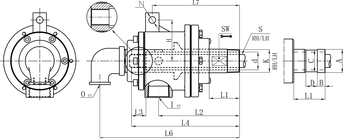
RT

Model K I O S d L1 L2 L3 L4 L6 L7 N H SW 法兰式表管尺寸对照表
A B C D
25A R1" Rc3/4" Rc1/2" Rp3/8" 23.5 53 141 20 182 236 153 12 66 32 34 12 32 18
32A R1-1/4" Rc1" Rc1/2" Rp1/2" 30 55 159 25 204 259 171 14 78 39 40 13 38 20
40A R1-1/2" Rc1-1/4" Rc3/4" Rp3/4" 36 65 177 30 224 288 187 14 85 46 47.8 13 45 20
50A R2" Rc1-1/2" Rc1" Rp1" 45 73 197 32 253 322 215 14 93 57 60 16 57 24
如属规格品表,本公司可共同要求造作 。

规格尺寸如有批改,恕不另行通知 。

Copyright ?币游·国际(中国游)官方网站 版权所有 闽ICP备05026600号 中机尺度化钻研院 网站建设:科伟网络

【网站地图】