
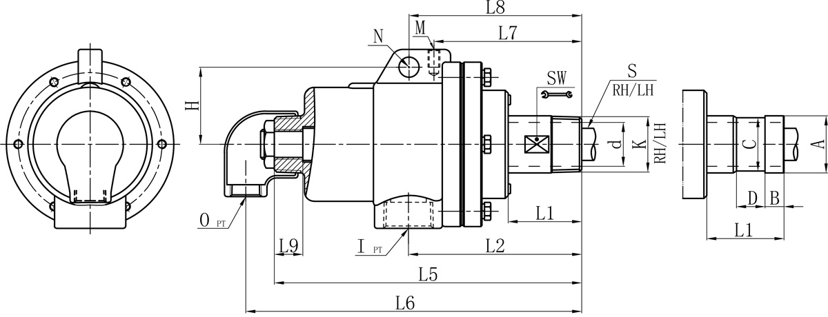
| Model | K | I | O | S | d | L1 | L2 | L5 | L6 | L7 | L8 | L9 | M | N | H | SW | 法兰式表管尺寸对照表 | |||
| A | B | C | D | |||||||||||||||||
| 20A | R3/4" | Rc3/4" | Rc1/2" | Rp1/4" | 18 | 46 | 104 | 182 | 199 | 96 | / | 29 | M10 | / | / | 24 | 26 | 11 | 24 | 16 |
| 25A | R1" | Rc3/4" | Rc1/2" | Rp3/8" | 23.5 | 51 | 110 | 195 | 210 | 109 | / | 30 | M10 | / | / | 32 | 34 | 12 | 32 | 18 |
| 32A | R1-1/4" | Rc1" | Rc1/2" | Rp1/2" | 30 | 51 | 122 | 222 | 238 | 108 | 124 | 23 | M10 | 14 | 60 | 41 | 40 | 13 | 38 | 20 |
| 40A | R1-1/2" | Rc1-1/4" | Rc3/4" | Rp3/4" | 36 | 62 | 143 | 254 | 278 | 133 | 149 | 22 | M10 | 16 | 71 | 46 | 47.8 | 13 | 45 | 20 |
| 50A | R2" | Rc1-1/2" | Rc1" | Rp1" | 45 | 71 | 161 | 295 | 312 | 150 | 173 | 45 | M12 | 18 | 81 | 55 | 60 | 16 | 57 | 24 |
| 65A | R2-1/2" | Rc2" | Rc1-1/4" | Rp1-1/4" | 58 | 76 | 178 | 333 | 357 | 157 | 183 | 58 | M12 | 20 | 91 | 70 | 74 | 19 | 70 | 24 |
| 80A | R3" | Rc2-1/2" | Rc1-1/2" | Rc1-1/2" | 72 | 81 | 264 | 398 | 424 | 187 | 214 | 52 | M12 | 20 | 110 | 85 | 87 | 25 | 84 | 24 |
规格尺寸如有批改,恕不另行通知。
Copyright ?币游·国际(中国游)官方网站 版权所有 闽ICP备05026600号 中机尺度化钻研院 网站建设:科伟网络