
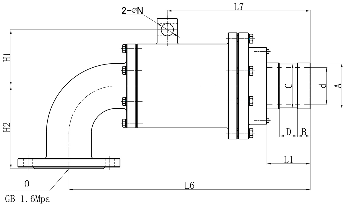
| Model | O | d | L1 | L6 | L7 | N | H1 | H2 | 法兰式表管尺寸对照表 | |||
| A | B | C | D | |||||||||
| 65A | DN65 | 58 | 75 | 415 | 230 | 18 | 106 | 165 | 74 | 19 | 70 | 24 |
| 80A | DN80 | 72 | 85 | 485 | 289 | 24 | 110 | 160 | 87 | 25 | 84 | 24 |
| 90A | DN90 | 80 | 100 | 505 | 300 | 25 | 116 | 170 | 100 | 25 | 96 | 30 |
| 100A | DN100 | 90 | 105 | 600 | 340 | 25 | 133 | 185 | 114 | 25 | 109 | 35 |
| 125A | DN125 | 125 | 120 | 716 | 450 | 30 | 158 | 215 | 148 | 25 | 142 | 35 |
| 150A | DN150 | 140 | 130 | 810 | 430 | 30 | 178 | 260 | 166 | 30 | 160 | 38 |
如属规格品表,本公司可共同要求造作。
规格尺寸如有批改,恕不另行通知。
Copyright ?币游·国际(中国游)官方网站 版权所有 闽ICP备05026600号 中机尺度化钻研院 网站建设:科伟网络