币游·国际(中国游)官方网站

币游·国际(中国游)官方网站
币游·国际(中国游)官方网站

Rotary Joint

Home - Products

big202110191736226756

RH Rotary Joint (Mono Flow)

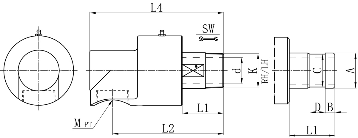
Model:RHD、RHDF
Outer pipe:Thread connection or flange connection
Feature:Plane seal faces; Two ball bearings; Stainless steel rotor; Matched seal faces; High speed,low torque; Long life and dood stability.

Technical Parameter:
Media Water、Oil、Air
Max.Temperature ≤120℃(Water)、≤260℃(Oil)
Max.Pressure

6A-50A≤1.0MPa

65A-80A≤0.8MPa

Max.Speed

6A-50A≤1500rpm

65A-80A≤800rpm


Product consultation Back to list

Sales Service Hotline:

0595-8686 1188

币游·国际(中国游)官方网站


Model K M d L1 L2 L4 SW Flange outer tube size control table
A B C D
15A R1/2" Rc1/2" 13 35 99 115 20 / / / /
20A R3/4" Rc3/4" 17 38 105 125 26 26 11 24 16
25A R1" Rc1" 21 41 116 137 31 34 12 32 18
40A R1-1/2" Rc1-1/2" 36 53 148 177 46 47.8 13 45 20
65A R2-1/2” Rc2-1/2” 60 79 214 261 80 74 19 70 24
80A R3” Rc3” 72 85 231 285 87 87 23 84 24

We offer customized products if special sizes.
Specifications are subject to change without notice.

Copyright ?Fujian Minxuan Technology Co., Ltd. all rights reserved 闽ICP备05026600号 中机尺度化钻研院 BY:KEW

【网站地图】